Abloy SL 900

[http://www.wikizamki.org/links.htm]

Перейти к: навигация, поиск
Abloy SL 900 001.jpeg
Abloy logo.gif
Артикул: SL 900/SL 901
Производитель: Abloy OY(Финляндия)
Тип механизма секретности - сувальдный
Тип замка по способу установки - врезной
Назначение - предназначен для установки в качестве дополнительного замка на входные деревянные и металлические двери.

Информация из каталога производителя :
ABLOY SL900/SL901 является симметричным замком, отпираемый с обеих сторон ключом. Замок изготовлен из стали и благодаря этому очень прочный. В запертом состоянии ригель выдерживает боковую нагрузку не менее 10 000 Н, нагрузка, вдавливающая ригель, не менее 6000 Н. Замок оборудован восемью сувальдами, благодаря этому возможны более 1 000 000 различных вариантов замка.
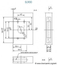
Замок оборудован специальным защитным механизмом против вскрытия. Замок снабжен управляемым ключом, с двумя ступенями запирания, закалённым ригелем-крюком, который надёжно соединяет дверь с дверной коробкой и запирается, когда ключ поворачивают на полный оборот (360град.). Двусторонний ключ можно вынуть из замка только тогда, когда ригель находится в одном из крайних положений (полностью выдвинут или полностью задвинут). В запертом положении длина выдвинутого ригеля составляет 23 мм.
Детали замка хромированные или оцинкованные, тем самым надежно защищены от коррозии. Применяемые вместе с замком ответные планки повышенной надежности с противовзломным креплением (прямая ответная планка LP775/LP777 для дверей без филенок и ответная планка-уголок LP776/LP778) изготовлены из хромированной стали и снабжены углублением для ригеля, обеспечивающим ригелю надежную защиту. Укрепляющие дверь накладки для ключей ABLOY 960, закрепляемые насквозь через дверь, состоят из устойчивых к сверлению стальных нижних планок и изготовленных из латуни декоративных наружных планок.

Abloy-SL-900-003.jpeg Abloy-SL-900-002.jpeg Abloy-SL-900-004.jpeg Abloy-SL-900-005.jpeg

Abloy-SL-900-006.jpeg Abloy-SL-900-007.jpeg Abloy SL900 размеры.jpeg